Model CMM, CMM2
· Optimum suitability for weight distribution analysis.
· Super compact and lightweight.
· Competitive price.
· Stainless steel construction.
Specifications
|
Specifications |
Accuracy |
|
Rated capacity(R.C.) |
1tf, 2tf, 3tf, 1kgf, 2kgf, 5kgf, 10kgf, 20kgf, 50kgf, 100kgf, 300kgf, 500kgf |
|
Rated output(R.O.) |
0.7mV/V to 1.2mV/V |
|
Nonlinearity |
1.0% R.O. |
|
Hysteresis |
1.0% R.O. |
|
Repeatability |
1.0% R.O. |
|
Zero Balance |
±5% of R.O. |
|
Terminal resitance, input |
350Ω ±10% |
|
Terminal resitance, output |
350Ω ±5% |
|
Tempreature range, allowable |
-20 to +70℃ |
|
Excitation recommended |
5V DC |
|
Overload allowable |
150% R.C. |
|
Cable length |
Φ3 4core cable, 3m |
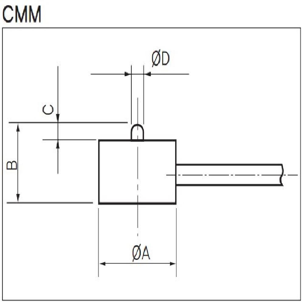
Dimensions (unit:mm)
|
Capacity |
A |
B |
C |
ØD |
Weight(kg) |
|
1kgf (9.807N) |
16 |
12 |
2 |
2.5 |
0.2 |
|
2kgf (19.61N) |
16 |
12 |
2 |
2.5 |
|
|
5kgf (49.03N) |
16 |
12 |
2 |
2.5 |
|
|
10kgf (98.07N) |
20 |
11.5 |
2 |
2.5 |
|
|
20kgf (196.1N) |
20 |
11.5 |
2 |
2.5 |
|
|
50kgf (490.3N) |
20 |
11.5 |
2 |
2.5 |
|
|
100kgf (980.7N) |
20 |
11.5 |
2 |
2.5 |
|
|
200kgf (1.961KN) |
20 |
11.5 |
2 |
2.5 |
|
|
300kgf (2.942KN) |
20 |
14 |
0.7 |
4 |
0.3 |
|
500kgf (4.903KN) |
20 |
14 |
0.7 |
4 |
|
|
1tf (9.807KN) |
20 |
14 |
0.7 |
4 |
|
|
2tf (19.61KN) |
20 |
14 |
0.7 |
4 |
|
|
3tf (29.42KN) |
20 |
14 |
0.7 |
4 |
Specifications are subject to change without notice.
The person in charge
HK ShinAddress
37-9 Cheoksan 5-gil Nami-myeon Seowon-gu, Cheongju-si, Chungcheongbuk-do (28182)Please enter the text on the left image to prevent automatic input.
0 / 4000
PLATINUM